-
KATEGORIE
- CCTV
-
Elektryka
-
Aparatura modułowa
- Pokaż wszystkie
- Automaty schodowe
- Gniazda modułowe
- Lampki sygnalizacyjne
- Liczniki energii
- Ograniczniki mocy
- Ograniczniki przepięć
- Pozostałe akcesoria
- Przekaźniki
- Rozłączniki izolacyjne
- Szyny łączeniowe
- Wyłączniki nadmiarowoprądowe
- Wyłączniki różnicowoprądowe
- Wyłączniki różnicowoprądowe z członem nadprądowym
- Wyłączniki selektywne
- Elementy prowadzenia kabli
- Gniazda i łączniki
- Narzędzia i mierniki
- Osprzęt łączeniowy
- Przewody elektryczne
- Rozdzielnice
-
Aparatura modułowa
- TV i Multimedia
- Sprzęt IT
- Elektronika
-
Automatyka domowa
- Akcesoria elektryczne
- Automatyka bram
- Domofony i systemy domofonowe
- Energia odnawialna
-
Inteligentny dom
- Pokaż wszystkie
- Akcesoria
- Automatyka budynkowa EL-HOME SMART HOME
- Automatyka budynkowa EXTA LIFE
- Automatyka budynkowa Ferguson
- Automatyka budynkowa Fibaro
- Automatyka budynkowa GRENTON
- Automatyka budynkowa ROPAM
- Automatyka budynkowa Smart Living Orno
- Automatyka budynkowa ZAMEL SUPLA
- Centrale
- Czujniki
- Inteligentne gniazdka
- Inteligentne ogrzewanie
- Inteligentne oświetlenie
- Inteligentne zamki
- Przyciski
- Siłowniki do żaluzji i rolet
- Smarthome Aqara
- Smarthome XIAOMI
- Sterowniki
- Zamel Exta Free - automatyka budynkowa
- Zestawy
- Klimatyzacje
-
Kontrola dostępu
- Pokaż wszystkie
- Akcesoria
- Bramki, tripody - kontrola ruchu pieszych
- Centrale kontroli dostępu
- Czytniki zbliżeniowe 13,56MHz
- Czytniki zbliżeniowe EM 125kHz
- Elektroniczne depozytory kluczy
- Elektroniczne zamki szyfrowe, szyfratory
- Kontrolery dostępu
- Obudowy do systemów kontroli dostępu
- Programy i akcesoria licencyjne
- System kontroli dostępu SATEL
- Systemy rejestracji czasu pracy i kontroli dostępu
- Transpondery zbliżeniowe
- Zwory i elektrozaczepy do systemów kontroli dostępu
- Magazyny energii
- Oświetlenie
- Pompy ciepła
- Rekuperacja
- Sejfy
-
Wideodomofony IP i cyfrowe, domofony z kamerą
- Pokaż wszystkie
- Akcesoria do wideodomofonów
- Monitory wideodomofonów
- Panele zewnętrzne do wideodomofonów
- Skrzynki na listy z wideodomofonem
- Unifony do wideodomofonów
- Wideo-wizjery, domofony z kamerą
- Wideodomofony IP
- Wideodomofony przewodowe
- Zestawy wideodomofonowe
- Zwory i elektrozaczepy do wideodomofonów
- Ładowarki do samochodów elektrycznych
-
Systemy alarmowe
- Bezprzewodowe systemy alarmowe
-
Czujniki alarmowe
- Pokaż wszystkie
- Akcesoria i elementy montażowe
- Bariery podczerwieni
- Czujniki czadu, tlenku węgla
- Czujniki dymu
- Czujniki dymu papierosowego
- Czujniki gazu ziemnego, detektory
- Czujniki jakości powietrza
- Czujniki magnetyczne, kontaktronowe
- Czujniki ruchu PIR
- Czujniki sejsmiczne
- Czujniki temperatury
- Czujniki zalania wodą
- Czujniki zbicia szyby
- Moduły i elementy zarządzania domem
- Ochrona obwodowa
-
Systemy alarmowe
- Pokaż wszystkie
- Akcesoria i elementy montażowe
- Akumulatory
- Centrale alarmowe
- Dialery / Powiadomienia / GSM
- Manipulatory
- Moduły / Ekspandery / Wzmacniacze sygnału
- Obudowy do alarmów
- Przyciski napadowe
- Stacje monitorowania
- Sterowniki radiowe / kontrola
- Sygnalizatory alarmowe
- Zasilacze i transformatory
- Systemy sygnalizacji pożarowej
- Usługi
- Fotowoltaika
- Hurton.pl
- „Shelly 3EM-63W Gen3”
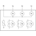
Shelly 3EM-63W Gen3
- Numer katalogowy: 65824
- Producent: SHELLY
- Model: 3EM-63W Gen3
- Gwarancja: 24 miesiące
- Gwarancja dla firm: 24 miesiące
Sprzedaż hurtowa (utwórz konto)
..lub zaloguj się i sprawdź niższe ceny, oraz inne korzyści!
Kupujesz detalicznie? Przejdź na eltrox.pl
..lub zaloguj się i sprawdź niższe ceny, oraz inne korzyści!
Kupujesz detalicznie? Przejdź na eltrox.pl
Shelly 3EM-63W Gen3 Shelly 3EM-63W Gen3 – Kompaktowy miernik energii do pomiaru 3-fazowego lub 3 obwodów jednofazowych (Wi-Fi/Bluetooth) Shelly 3EM-63W Gen3 to zaawansowany, kompaktowy licznik energii zaprojektowany do precyzyjnego monitorowania instalacji trój... Pełen opis produktu widoczny po zalogowaniu
Cechy
| Numer katalogowy | 65824 |
| Model | 3EM-63W Gen3 |
| Gwarancja | 24 miesiące |
| Gwarancja dla firm | 24 miesiące |
| Producent | SHELLY |